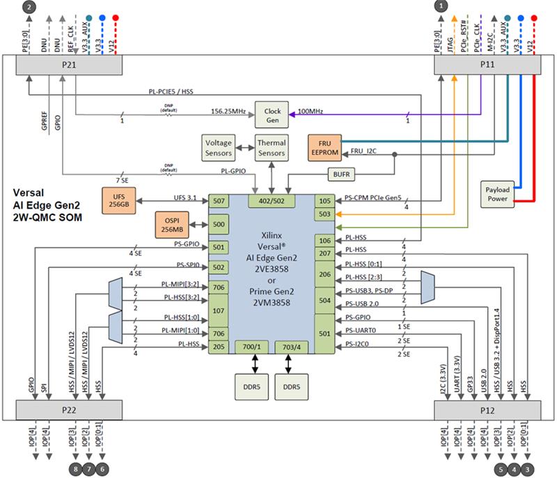
The V3211 is a next generation heterogeneous embedded computing double-width QMC SOM featuring the AMD Versal® AI Edge or Prime Gen 2 Adaptive System-on-Chip (SoC). The V3211 allows footprint compatible part selection of Versal® 2VM3858 or 2VE3858 devices. In a double-width QMC, the V3211 provides up to 4 x 32G and 2 x 25G high-speed PS serdes, 16 x 32G high-speed PL serdes, 1GbE SGMII electrical lane, up to 24 x LVCMOS 3.3V PS+PL GPIO, and PL support for 543K LUTs and 2064 DSP engines.
DOWNLOAD DATA SHEET REQUEST INFORMATIONThe V3211 is a next generation heterogeneous embedded computing double-width QMC SOM featuring the AMD Versal® AI Edge or Prime Gen 2 Adaptive System-on-Chip (SoC). The V3211 allows footprint compatible part selection of Versal® 2VM3858 or 2VE3858 devices. In a double-width QMC, the V3211 provides up to 4 x 32G and 2 x 25G high-speed PS serdes,16 x 32G high-speed PL serdes, 1GbE SGMII electrical lane, up to 24 x LVCMOS 3.3V PS+PL GPIO, and PL support for 543K LUTs and 2064 DSP engines.
The V3211 QMC SOM excels at high-bandwidth interface applications where data is processed or pre-processed locally and then distributed to carrier-card and backplane interfaces. Use cases include drones, munitions, air launched effects, packable electronics warfare, ground vehicle computers, sensor interface, data processing, data distribution, FPGA and AI engine co-processing applications. Radar, signals intelligence, electronic warfare, video, storage, medical imaging, and embedded communications systems all can benefit from the V3211.
By leveraging the Versal® hard silicon Ethernet interfaces, PCIe controllers, DMA engines, and associated software drivers AMD has enabled a robust ecosystem for high-bandwidth Ethernet performance. In addition to the Ethernet interface, the FPGA fabric provided within the adaptive SoC part is capable of hosting New Wave Design IP cores for Fibre Channel, ARINC-818, sFPDP, Aurora, and others. This makes the V3211 an ideal hardware platform for mixed interface protocol needs or protocol bridging applications.
The V3211 serves as a highly-integrated data interface and processing solution in a compact double-width QMC. The V3211 is deployable into VNX+, 3U/4U/6U VPX, PCI, CompactPCI and most any other carrier card system. In this arrangement, carrier-card CPU’s/GPUs are unburdened of the data interface overhead and can be dedicated to running high value applications and algorithms with the V3211 performing dedicated compute acceleration functions.
The convenient QMC SOM form factor and rugged design of the V3211 can, for example, turn a VNX+ based single board computer into a single-slot heterogeneous computing solution.
• Rugged iTemp double-width QMC SFF mezzanine
• AMD Versal® Gen 2: 2VM3858 (Prime), 2VE3858 (AI Edge)
• 2 banks of 32GB (64GB total) up to 3200MHz / 6400 Mbps LPDDR5
SDRAM.
• Four (4) PS electrical high-speed lanes with dedicated CPM5 PCIe
Gen5x4 controller.
• Sixteen (16) PL GTYP electrical high-speed lanes suitable for 1G to
32G networking and PCIe Gen4/Gen5 interfaces.
• Up to 24 LVCMOS 3.3V PS+PL GPIO
• PL hard silicon in Versal® Adaptive SoC device:
4 x PLPCIE5 3 x MRMAC 3 x ISP
• Thermal sensors for monitoring card temperature
• Robust FPGA example design with BSP
The V3211 is a next generation heterogeneous embedded computing double-width QMC SOM featuring the AMD Versal® AI Edge or Prime Gen 2 Adaptive System-on-Chip (SoC). The V3211 allows footprint compatible part selection of Versal® 2VM3858 or 2VE3858 devices. In a double-width QMC, the V3211 provides up to 4 x 32G and 2 x 25G high-speed PS serdes,16 x 32G high-speed PL serdes, 1GbE SGMII electrical lane, up to 24 x LVCMOS 3.3V PS+PL GPIO, and PL support for 543K LUTs and 2064 DSP engines.
The V3211 QMC SOM excels at high-bandwidth interface applications where data is processed or pre-processed locally and then distributed to carrier-card and backplane interfaces. Use cases include drones, munitions, air launched effects, packable electronics warfare, ground vehicle computers, sensor interface, data processing, data distribution, FPGA and AI engine co-processing applications. Radar, signals intelligence, electronic warfare, video, storage, medical imaging, and embedded communications systems all can benefit from the V3211.
By leveraging the Versal® hard silicon Ethernet interfaces, PCIe controllers, DMA engines, and associated software drivers AMD has enabled a robust ecosystem for high-bandwidth Ethernet performance. In addition to the Ethernet interface, the FPGA fabric provided within the adaptive SoC part is capable of hosting New Wave Design IP cores for Fibre Channel, ARINC-818, sFPDP, Aurora, and others. This makes the V3211 an ideal hardware platform for mixed interface protocol needs or protocol bridging applications.
The V3211 serves as a highly-integrated data interface and processing solution in a compact double-width QMC. The V3211 is deployable into VNX+, 3U/4U/6U VPX, PCI, CompactPCI and most any other carrier card system. In this arrangement, carrier-card CPU’s/GPUs are unburdened of the data interface overhead and can be dedicated to running high value applications and algorithms with the V3211 performing dedicated compute acceleration functions.
The convenient QMC SOM form factor and rugged design of the V3211 can, for example, turn a VNX+ based single board computer into a single-slot heterogeneous computing solution.
• Rugged iTemp double-width QMC SFF mezzanine
• AMD Versal® Gen 2: 2VM3858 (Prime), 2VE3858 (AI Edge)
• 2 banks of 32GB (64GB total) up to 3200MHz / 6400 Mbps LPDDR5
SDRAM.
• Four (4) PS electrical high-speed lanes with dedicated CPM5 PCIe
Gen5x4 controller.
• Sixteen (16) PL GTYP electrical high-speed lanes suitable for 1G to
32G networking and PCIe Gen4/Gen5 interfaces.
• Up to 24 LVCMOS 3.3V PS+PL GPIO
• PL hard silicon in Versal® Adaptive SoC device:
4 x PLPCIE5 3 x MRMAC 3 x ISP
• Thermal sensors for monitoring card temperature
• Robust FPGA example design with BSP
Contact us today to see how New Wave Design can collaborate with you to achieve your objectives, leveraging our cutting-edge military and aerospace solutions. Experience our dedication to innovation, quality, and unparalleled customer satisfaction firsthand, and together, let’s turn your challenges into triumphs.
"*" indicates required fields